FŐ TULAJDONSÁGOK
Mérettartomány
3/4"–1"
Test és csapvég
Kovácsolt, nikkelezett CW617N sárgaréz az EN 12165 szabvány szerint
Golyó
Kemény krómbevonattal ellátott CW617N sárgaréz az EN 12165 szabvány szerint
Tömítés
Teflon (PTFE)
O-gyűrű
Gázra alkalmas viton
T-kar
Sárga színű tűzzománcozott alumínium
Csavar
Rozsdamentes acél
Többi alkatrész
Európai szabvány szerinti sárgaréz
Menet
EN 10226-1 (ISO 7/1)
Megengedett üzemi hőmérséklet
-20 °C – +60 °C
Javasolt beépítés
https://interex-waga.hu/greiner-szereles
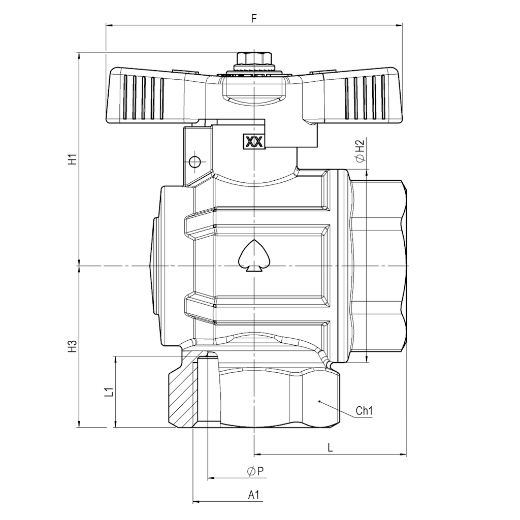
| Névleges átmérő | Cikkszám | Méretek (mm) | PN-MOP | Súly (kg) | |||||||
| F | L | L1 | A1 | H1 | ØH2 | ØP | Ch1 | ||||
| 3/4" | 080675295007500 | 80 | 34,25 | 16,3 | Rp 3/4" | 53,2 | 42,5 | 20 | es.33 | MOP16 | 0,470 |
| 1" | 080675295010000 | 80 | 41,00 | 19,1 | Rp 1" | 57,7 | 52 | 25 | es.41 | MOP16 | 0,750 |