FŐ TULAJDONSÁGOK
Felhasználási terület
Vízhálózatok
Mérettartomány
1/2"–2"
Test és csapvég
Kovácsolt, nikkelezett CW617N sárgaréz az EN 12165 szabvány szerint
Golyó
Kovácsolt, kemény krómbevonattal ellátott CW617N sárgaréz az EN 12165 szabvány szerint
Tömítések és tömszelence
Teflon (PTFE)
Hatlapfejű csavar
Rozsdamentes acél
T-kar
Nikkelezett sárgaréz
Visszacsapó zárótest
Zöld acetálgyanta (POM)
Visszacsapó rugó
Rozsdamentes acél
Visszacsapó tömítés
NBR
Többi alkatrész
Európai szabvány szerinti sárgaréz
Menet
EN 10226-1 (ISO 7/1)
Megengedett üzemi hőmérséklet
0 °C – +80 °C
Javasolt beépítés
https://interex-waga.hu/greiner-szereles
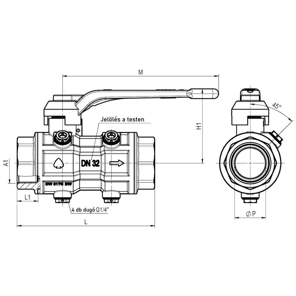
| Névleges átmérő | Cikkszám | Méretek (mm) | PN-MOP | Súly (kg) | |||||||||
| L | L1 | A1 | H1 | ØH2 | ØP | Lc | Ch1 | F | M | ||||
| 1/2" | 080658157005000 | 81 | 15 | Rp1/2" | 47,7 | 33 | 15 | 29,2 | es.27 | 60 | PN64 | 0,433 | |
| 3/4" | 080658157007500 | 99 | 16,3 | Rp3/4" | 53,4 | 42,5 | 20 | 34,25 | es.33 | 80 | PN50 | 0,761 | |
| 3/4" x 1" | 080658157061300 | 106,9 | 16,3 | Rp3/4" | 53,4 | 42,5 | 20 | 34,25 | es.33 | 80 | PN50 | 0,776 | |
| 1" | 080658157010000 | 120 | 19,1 | Rp1" | 57,7 | 52 | 25 | 41 | es.41 | 80 | PN40 | 1,218 | |
| 1.1/4" | 080658157012500 | 141 | 21,4 | Rp1.1/4" | 76,2 | 63 | 32 | 46,5 | ott.50 | 160 | PN40 | 1,729 | |
| 1.1/2" | 080658157015000 | 168 | 21,4 | Rp1.1/2" | 83,2 | 77 | 40 | 52,5 | ott.56 | 160 | PN40 | 2,761 | |
| 2" | 080658157020000 | 200 | 25,7 | Rp2" | 113,7 | 93 | 50 | 62,5 | ott.70 | 230 | PN25 | 4,729 | |