FŐ TULAJDONSÁGOK
Felhasználási terület
Vízhálózatok
Mérettartomány
1/2"–1"
Test és csapvég
Kovácsolt, nikkelezett CW617N sárgaréz az EN 12165 szabvány szerint
Tömszelence
Teflon (PTFE)
Szártömítés
2 db Viton O-gyűrű
Golyó
Kovácsolt, kemény krómbevonattal ellátott CW617N sárgaréz az EN 12165 szabvány szerint
T-kar
Tűzzománcozott alumínium
Zárszerkezet
Sárgaréz test, rozsdamentes acél rugó
Többi alkatrész
Európai szabvány szerinti sárgaréz
Menet
EN 10226-1 (ISO 7/1)
Megengedett üzemi hőmérséklet
0 °C – +110 °C
Javasolt beépítés
https://interex-waga.hu/greiner-szereles
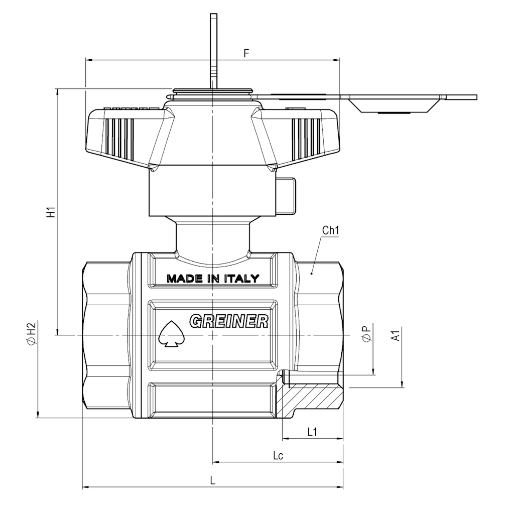
| Névleges átmérő | Cikkszám | Méretek (mm) | PN-MOP | Súly (kg) | ||||||||
| F | L | L1 | A1 | H1 | ØH2 | ØP | Lc | Ch1 | ||||
| 1/2" | 080658441005000 | 80 | 58,4 | 15,0 | Rp1/2 | 69,0 | 33,0 | 15 | 29,20 | es.27 | PN100 | 0,480 |
| 3/4" | 080658441007500 | 80 | 68,5 | 16,3 | Rp3/4 | 73,0 | 42,5 | 20 | 34,25 | es.33 | PN64 | 0,650 |
| 1" | 080658441010000 | 80 | 82,0 | 19,1 | Rp1 | 77,5 | 52,0 | 25 | 41,00 | es.41 | PN64 | 0,970 |