FŐ TULAJDONSÁGOK
Felhasználási terület
Semleges gázok és folyékony közeg szűrésére
Mérettartomány
DN 15–300
Test anyaga
Szűrő anyaga
Rozsdamentes acél 1.4301
Tömítés
Megengedett üzemi nyomás
PN 6/10/16/25
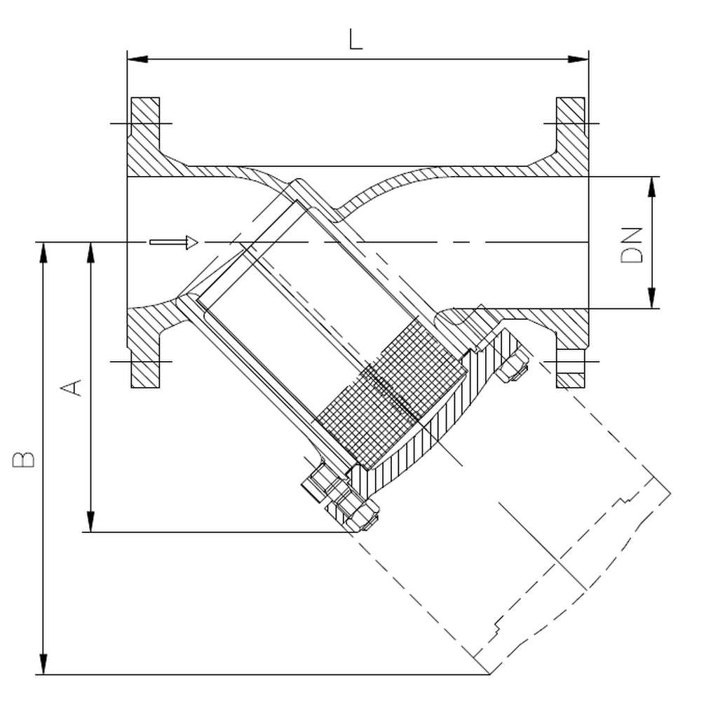
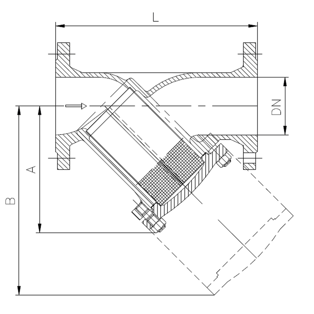
Jellemzők
| DN | Méretek (mm) | Normál szűrő Kv (m³/h) | Normál szűrő ζ (-) | Finom szűrő Kv (m³/h) | Finom szűrő ζ (-) | Súly (kg) [szürkeöntvény, PN16] | ||
| L | A* | B* | ||||||
| 15 | 130 | 75 | 115 | 5,3 | 2,88 | 5,0 | 3,24 | 2,20 |
| 20 | 150 | 75 | 115 | 9,5 | 2,84 | 9,0 | 3,16 | 3,30 |
| 25 | 160 | 90 | 135 | 16,5 | 2,30 | 14,8 | 2,85 | 3,80 |
| 32 | 180 | 90 | 135 | 20.0 | 4,19 | 18.0 | 5,18 | 5,00 |
| 40 | 200 | 110 | 170 | 33.0 | 3,76 | 30.0 | 4,55 | 6,80 |
| 50 | 230 | 140 | 210 | 54.0 | 3,43 | 48.0 | 4,34 | 7,50 |
| 65 | 290 | 160 | 240 | 95.0 | 3,16 | 85.0 | 3,95 | 11,20 |
| 80 | 310 | 190 | 320 | 140.0 | 3,34 | 131.0 | 3,82 | 15,40 |
| 100 | 350 | 240 | 360 | 201.0 | 3,96 | 189.0 | 4,48 | 23,20 |
| 125 | 400 | 275 | 425 | 340.0 | 3,38 | 320.0 | 3,81 | 33,50 |
| 150 | 480 | 310 | 485 | 526.0 | 2,93 | 494.0 | 3,32 | 47,10 |
| 200 | 600 | 440 | 660 | 870.0 | 3,38 | 818.0 | 3,83 | 99,50 |
| 250 | 730 | 470 | 680 | 1260.0 | 3,94 | 1184.0 | 4,46 | 162,00 |
| 300 | 850 | 560 | 820 | 1735.0 | 4,31 | 1631.0 | 4,87 | 280,00 |
| * PN6-ra nem érvényes | ||||||||
| SZŰRŐBETÉT | ||||||||
| Normál szűrő | Finom szűrő | |||||||
| DN | 15–20 | 25–65 | 80–300 | 15–300 | ||||
| Szitaköz (mm) | 0,54 | 0,87 | 1,18 | 0,25 | ||||
| Szitasűrűség (db/cm²) | 150 | 64 | 25 | 625 | ||||