FŐ TULAJDONSÁGOK
Mérettartomány
d25 - d630
Anyaga
PE100 SDR11
Nyomásosztály
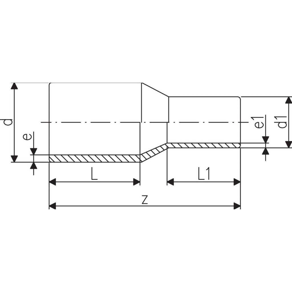
| d (mm) | d1 (mm) | Cikkszám | Súly (kg) | Méretek (mm) | ||||
| z | L | L1 | e | e1 | ||||
| 25 | 20 | 076753901038000 | 0,022 | 115 | 53 | 52 | 3,0 | 3,0 |
| 32 | 20 | 076753901042000 | 0,027 | 122 | 55 | 53 | 3,0 | 3,0 |
| 32 | 25 | 076753901041000 | 0,033 | 122 | 55 | 53 | 3,0 | 3,0 |
| 40 | 20 | 076753901048000 | 0,043 | 127 | 56 | 50 | 3,7 | 3,0 |
| 40 | 25 | 076753901047000 | 0,045 | 128 | 55 | 50 | 3,7 | 3,0 |
| 40 | 32 | 076753901046000 | 0,047 | 128 | 55 | 52 | 3,7 | 3,0 |
| 50 | 20 | 076753901055000 | 0,064 | 147 | 62 | 50 | 4,6 | 3,0 |
| 50 | 25 | 076753901054000 | 0,069 | 139 | 62 | 50 | 4,6 | 3,0 |
| 50 | 32 | 076753901053000 | 0,067 | 140 | 62 | 54 | 4,6 | 3,0 |
| 50 | 40 | 076753901052000 | 0,079 | 138 | 62 | 55 | 4,6 | 3,7 |
| 63 | 32 | 076753901060000 | 0,113 | 150 | 65 | 53 | 5,8 | 3,0 |
| 63 | 40 | 076753901059000 | 0,122 | 150 | 65 | 57 | 5,8 | 3,7 |
| 63 | 50 | 076753901058000 | 0,128 | 150 | 65 | 62 | 5,8 | 4,6 |
| 75 | 40 | 076753901063000 | 0,185 | 170 | 72 | 51 | 6,8 | 3,7 |
| 75 | 50 | 076753901064000 | 0,188 | 170 | 72 | 65 | 6,8 | 4,6 |
| 75 | 63 | 076753901065000 | 0,209 | 170 | 72 | 65 | 6,8 | 5,8 |
| 90 | 50 | 076753901072000 | 0,289 | 190 | 81 | 61 | 8,2 | 4,6 |
| 90 | 63 | 076753901071000 | 0,316 | 190 | 81 | 65 | 8,2 | 5,8 |
| 90 | 75 | 076753901070000 | 0,330 | 190 | 81 | 72 | 8,2 | 6,8 |
| 110 | 63 | 076753901078000 | 0,487 | 205 | 85 | 65 | 10,0 | 5,8 |
| 110 | 75 | 076753901077000 | 0,501 | 205 | 84 | 72 | 10,0 | 6,8 |
| 110 | 90 | 076753901076000 | 0,549 | 205 | 85 | 81 | 10,0 | 8,2 |
| 125 | 63 | 076753901083000 | 0,607 | 214 | 88 | 65 | 11,4 | 5,8 |
| 125 | 75 | 076753901082000 | 0,667 | 210 | 89 | 72 | 11,4 | 6,8 |
| 125 | 90 | 076753901081000 | 0,683 | 211 | 89 | 81 | 11,4 | 8,2 |
| 125 | 110 | 076753901080000 | 0,775 | 211 | 90 | 84 | 11,4 | 10,0 |
| 140 | 75 | 076753901086000 | 0,910 | 237 | 113 | 77 | 12,7 | 6,8 |
| 140 | 90 | 076753901087000 | 0,954 | 237 | 114 | 86 | 12,7 | 8,2 |
| 140 | 110 | 076753901084000 | 0,977 | 232 | 104 | 93 | 12,7 | 10,0 |
| 140 | 125 | 076753901085000 | 1,078 | 232 | 102 | 100 | 12,7 | 11,4 |
| 160 | 90 | 076753901088000 | 1,164 | 244 | 100 | 81 | 14,6 | 8,2 |
| 160 | 110 | 076753901090000 | 1,239 | 242 | 100 | 85 | 14,6 | 10,0 |
| 160 | 125 | 076753901089000 | 1,333 | 240 | 100 | 89 | 14,6 | 11,4 |
| 160 | 140 | 076753901032000 | 1,522 | 255 | 110 | 104 | 14,6 | 12,7 |
| 180 | 90 | 076753901073000 | 1,507 | 245 | 105 | 81 | 16,4 | 8,2 |
| 180 | 110 | 076753901074000 | 1,833 | 277 | 124 | 94 | 16,4 | 10,0 |
| 180 | 125 | 076753901091000 | 1,723 | 258 | 108 | 92 | 16,4 | 11,4 |
| 180 | 140 | 076753901075000 | 1,976 | 278 | 124 | 113 | 16,4 | 12,7 |
| 180 | 160 | 076753901033000 | 1,968 | 255 | 107 | 102 | 16,4 | 14,6 |
| 200 | 140 | 076753901066000 | 2,326 | 282 | 123 | 114 | 18,2 | 12,7 |
| 200 | 160 | 076753901092000 | 2,435 | 252 | 104 | 120 | 18,2 | 14,6 |
| 200 | 180 | 076753901093000 | 2,724 | 279 | 124 | 120 | 18,2 | 16,4 |
| 225 | 140 | 076753901067000 | 2,900 | 295 | 132 | 115 | 20,5 | 12,7 |
| 225 | 160 | 076753901096000 | 2,891 | 278 | 120 | 98 | 20,5 | 14,6 |
| 225 | 180 | 076753901095000 | 3,244 | 297 | 128 | 120 | 20,5 | 16,4 |
| 225 | 200 | 076753901094000 | 3,538 | 280 | 124 | 117 | 20,5 | 18,2 |
| 250 | 160 | 076753901000000 | 2,385 | 309 | 150 | 97 | 22,7 | 14,6 |
| 250 | 180 | 076753901068000 | 4,299 | 312 | 150 | 106 | 22,7 | 16,4 |
| 250 | 200 | 076753901001000 | 4,766 | 327 | 155 | 115 | 22,7 | 18,2 |
| 250 | 225 | 076753901002000 | 4,950 | 332 | 130 | 120 | 22,7 | 20,5 |
| 280 | 200 | 076753901098000 | 5,830 | 347 | 140 | 115 | 25,4 | 18,2 |
| 280 | 225 | 076753901099000 | 6,112 | 340 | 140 | 122 | 25,4 | 20,5 |
| 280 | 250 | 076753901003000 | 6,480 | 320 | 137 | 133 | 25,4 | 22,7 |
| 315 | 200 | 076753901004000 | 4,960 | 355 | 150 | 112 | 18,7 | 11,9 |
| 315 | 225 | 076753901097000 | 7,790 | 375 | 150 | 123 | 28,6 | 20,5 |
| 315 | 250 | 076753901005000 | 8,360 | 375 | 150 | 132 | 28,6 | 22,7 |
| 315 | 280 | 076753901012000 | 8,800 | 375 | 150 | 144 | 28,6 | 25,4 |
| 355 | 250 | 076753901013000 | 9,100 | 390 | 165 | 130 | 32,3 | 22,7 |
| 355 | 280 | 076753901014000 | 9,500 | 390 | 165 | 139 | 32,3 | 25,4 |
| 355 | 315 | 076753901015000 | 9,900 | 390 | 165 | 150 | 32,3 | 28,6 |
| 400 | 280 | 076753901016000 | 10,420 | 415 | 180 | 139 | 36,4 | 25,4 |
| 400 | 315 | 076753901017000 | 11,130 | 415 | 180 | 150 | 36,4 | 28,6 |
| 400 | 355 | 076753901018000 | 11,600 | 420 | 180 | 165 | 36,4 | 32,3 |
| 450 | 280 | 076753901019000 | 16,200 | 389 | 195 | 139 | 40,9 | 25,4 |
| 450 | 315 | 076753901020000 | 16,700 | 390 | 195 | 150 | 40,9 | 28,6 |
| 450 | 355 | 076753901022000 | 17,500 | 393 | 195 | 164 | 40,9 | 32,3 |
| 450 | 400 | 076753901024000 | 18,500 | 395 | 195 | 179 | 40,9 | 36,4 |
| 500 | 315 | 076753901025000 | 21,900 | 422 | 212 | 150 | 45,5 | 28,6 |
| 500 | 355 | 076753901026000 | 22,600 | 424 | 212 | 164 | 45,5 | 32,3 |
| 500 | 400 | 076753901027000 | 23,600 | 426 | 212 | 179 | 45,5 | 36,4 |
| 500 | 450 | 076753901029000 | 25,100 | 428 | 212 | 195 | 45,5 | 40,9 |
| 560 | 355 | 076753901030000 | 30,100 | 459 | 230 | 164 | 50,9 | 32,3 |
| 560 | 400 | 076753901039000 | 31,000 | 461 | 230 | 179 | 50,9 | 36,4 |
| 560 | 450 | 076753901040000 | 32,400 | 463 | 230 | 195 | 50,9 | 40,9 |
| 560 | 500 | 076753901043000 | 34,100 | 466 | 230 | 212 | 50,9 | 45,5 |
| 630 | 400 | 076753901044000 | 41,900 | 502 | 250 | 179 | 57,3 | 36,4 |
| 630 | 450 | 076753901045000 | 43,100 | 503 | 250 | 195 | 57,3 | 40,9 |
| 630 | 500 | 076753901049000 | 44,700 | 506 | 250 | 212 | 57,3 | 45,5 |
| 630 | 560 | 076753901050000 | 46,800 | 506 | 250 | 230 | 57,3 | 50,9 |