FŐ TULAJDONSÁGOK
Alkalmazási terület
Folyékony vagy gáznemű közegre
Mérettartomány
DN 40–600
Test és tányér anyaga
Rozsdamentes acél 1.4301
Tömítés
Megengedett üzemi nyomás
PN 6/10/16/25/40
Jellemzők
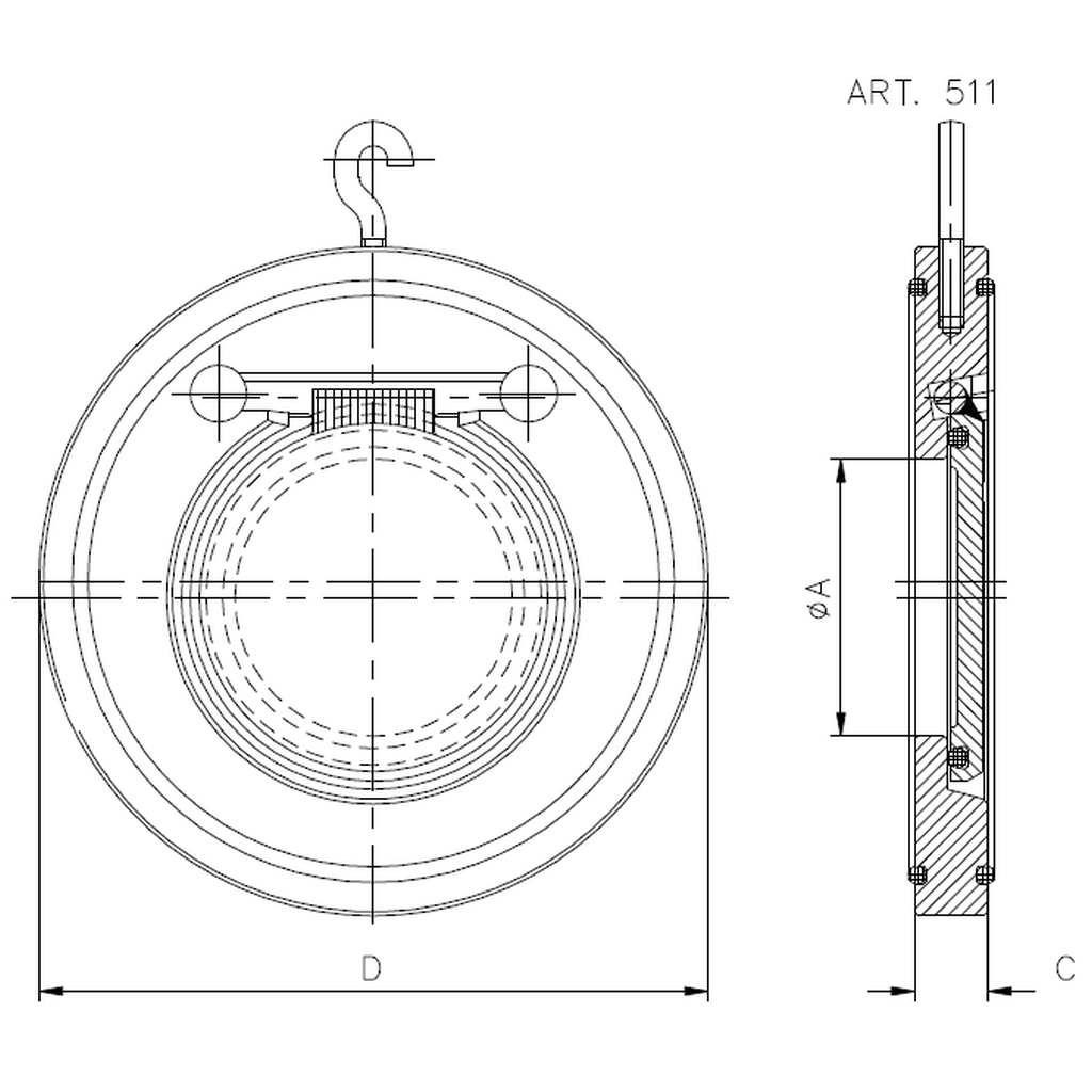
| DN | A | D | C | Kv-érték (m3/h) | ζ (-) | Súly (kg) | ||||
| PN6 | PN10 | PN16 | PN25 | PN40 | ||||||
| 40 | 22 | 88 | 94 | 94 | 94 | 94 | 14 | 23 | 7,74 | 0,60 |
| 50 | 30 | 98 | 109 | 109 | 109 | 109 | 14 | 49 | 4,16 | 0,90 |
| 65 | 38 | 118 | 129 | 129 | 129 | 129 | 14 | 75 | 5,07 | 1,30 |
| 80 | 49 | 134 | 144 | 144 | 144 | 144 | 14 | 125 | 4,19 | 1,60 |
| 100 | 68 | 154 | 164 | 164 | 170 | 170 | 18 | 183 | 4,77 | 2,10 |
| 125 | 86 | 184 | 194 | 194 | 196 | 196 | 18 | 340 | 3,37 | 3,10 |
| 150 | 110 | 209 | 220 | 220 | 226 | 226 | 20 | 500 | 3,24 | 5,00 |
| 200 | 156 | 264 | 275 | 275 | 286 | 293 | 29 | 1100 | 2,11 | 11,10 |
| 250 | 190 | 319 | 330 | 331 | 343 | 355 | 29 | 1610 | 2,41 | 15,00 |
| 300 | 236 | 375 | 380 | 386 | 403 | 420 | 38 | 2290 | 2,47 | 24,90 |
| 350 | 270 | 425 | 440 | 446 | 460 | 477 | 41 | 2890 | 2,87 | 37,30 |
| 400 | 310 | 475 | 491 | 498 | 517 | 549 | 51 | 3700 | 2,99 | 55,20 |
| (450) | 360 | 530 | 541 | 558 | 567 | 574 | 58 | 5310 | 2,32 | 75,50 |
| 500 | 405 | 580 | 596 | 620 | 627 | 631 | 65 | 6550 | 2,33 | 106,00 |
| 600 | 486 | 681 | 698 | 737 | 734 | 750 | 70 | 9500 | 2,29 | 156,00 |