FŐ TULAJDONSÁGOK
Felhasználási terület
Mérettartomány
DN 200–1400
Megengedett üzemi nyomás csillapítás nélkül
Megengedett üzemi nyomás csillapítással
Termékjellemzők
Anyagok
Korrózióvédelem
Kívül-belül epoxibevonat
Minimális közegsebesség
1,6 m/s
Maximális üzemi közeghőmérséklet
50 °C
| PN 10 | |||||||||||||||
| DN | 200 | 250 | 300 | 350 | 400 | 450 | 500 | 600 | 700 | 800 | 900 | 1000 | 1200 | 1400 | |
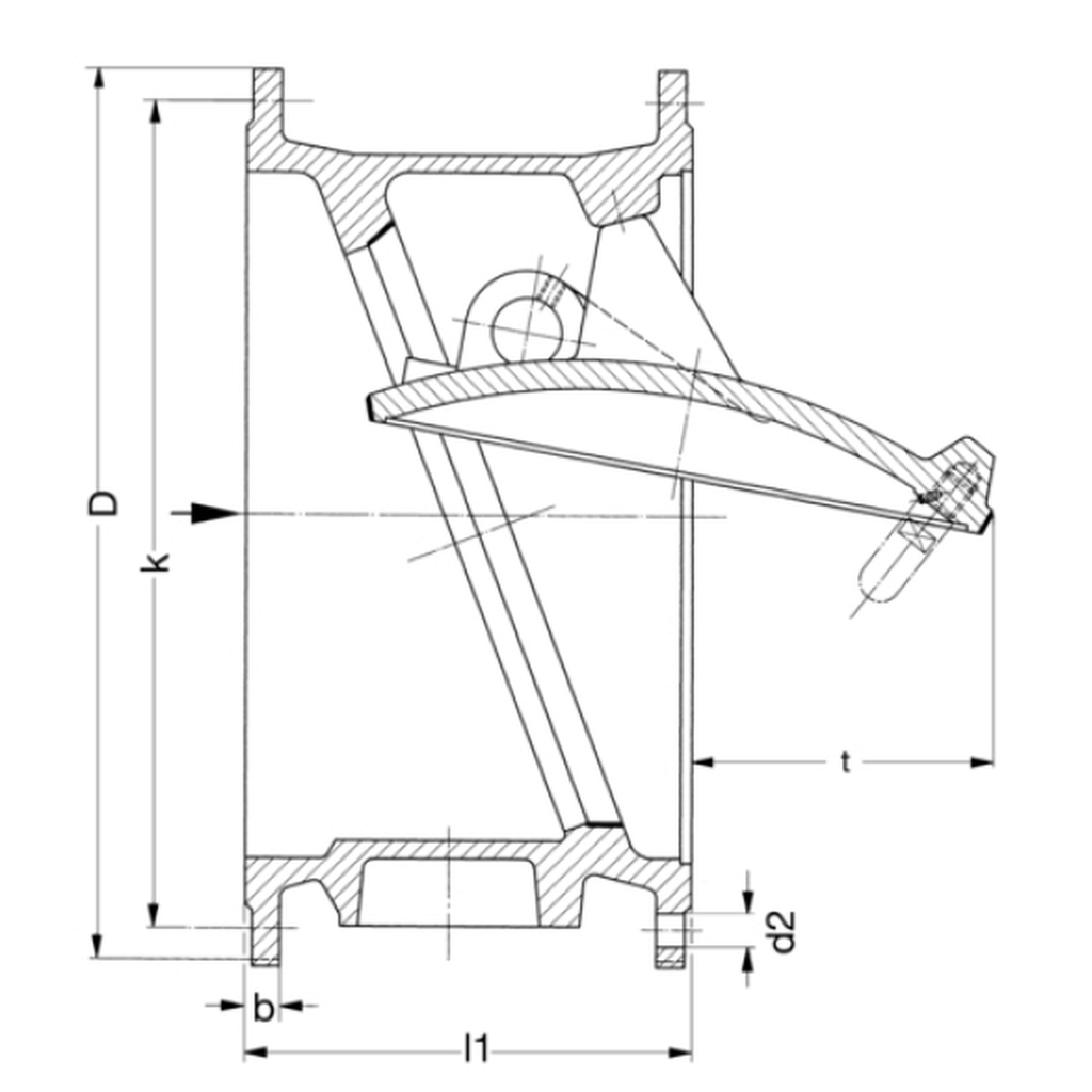
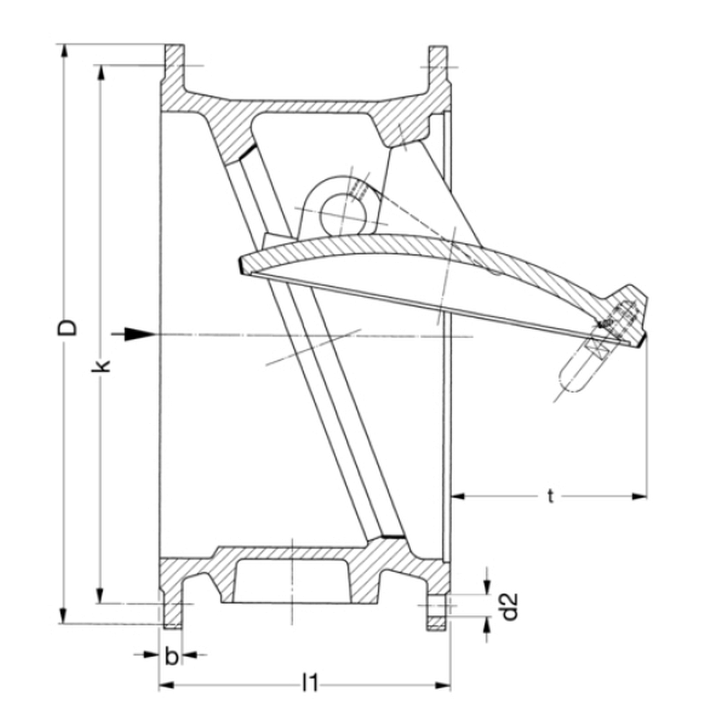
| D | [mm] | 340 | 400 | 455 | 520 | 575 | 615 | 670 | 780 | 895 | 1015 | 1115 | 1230 | 1455 | 1675 |
| b | [mm] | 20 | 22 | 24,5 | 26,5 | 28 | 26,5 | 26,5 | 30 | 32,5 | 35 | 37,5 | 40 | 45 | 46 |
| k | [mm] | 295 | 350 | 400 | 460 | 515 | 565 | 620 | 725 | 840 | 950 | 1050 | 1160 | 1380 | 1560 |
| d2 | [mm] | 23 | 23 | 23 | 23 | 28 | 28 | 28 | 31 | 31 | 34 | 34 | 37 | 40 | 44 |
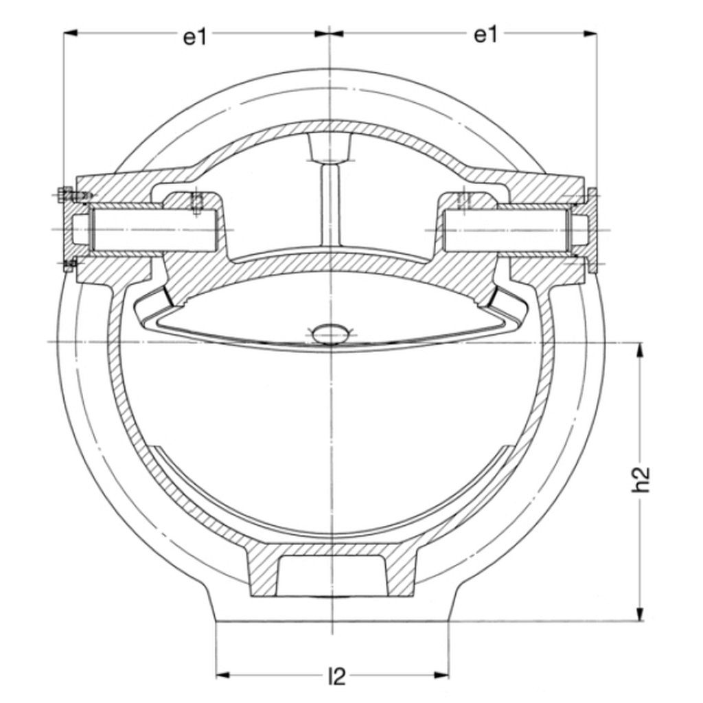
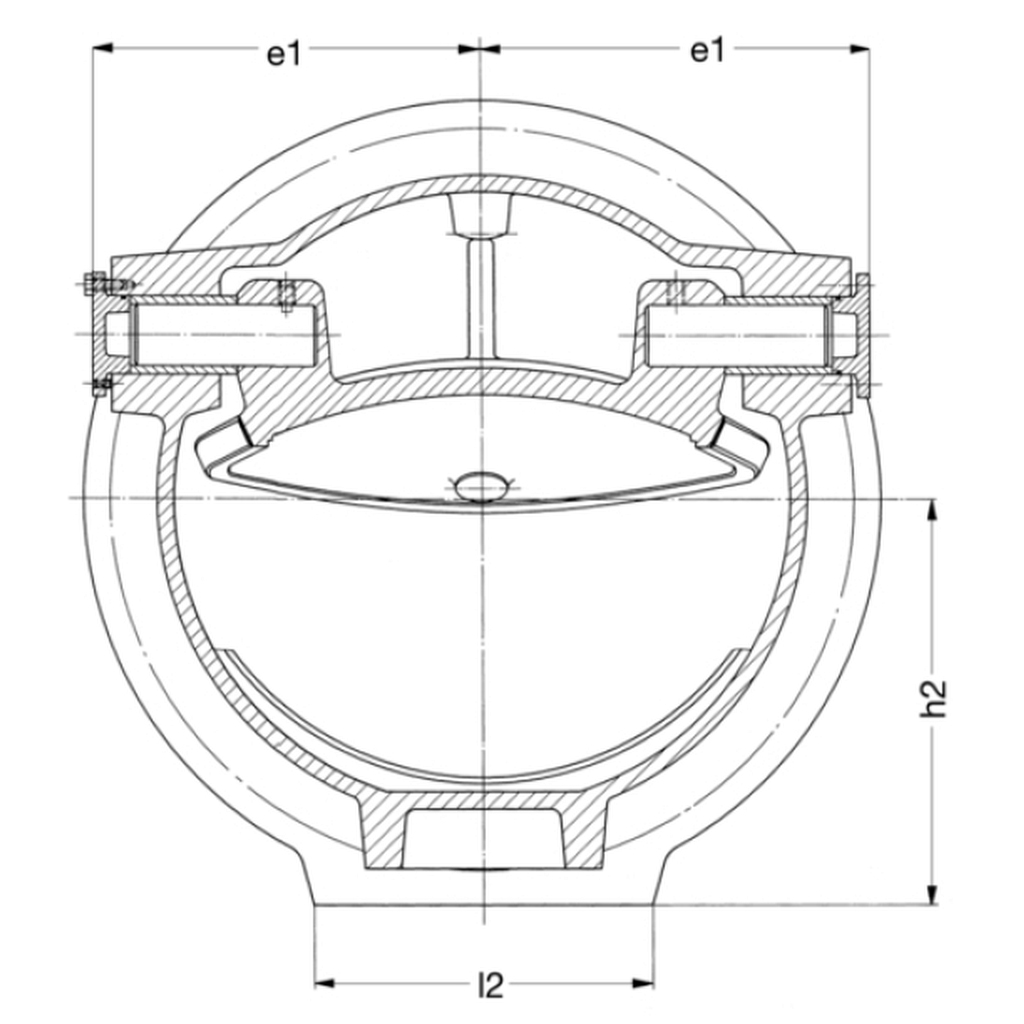
| e1 | [mm] | 145 | 170 | 200 | 225 | 270 | 300 | 325 | 385 | 450 | 500 | 565 | 630 | 730 | 827 |
| *h1 | [mm] | 245 | 270 | 340 | 370 | 420 | 460 | 500 | 585 | 650 | 750 | 855 | 890 | 1020 | 1222 |
| h2 | [mm] | 175 | 205 | 232 | 265 | 295 | 312 | 340 | 395 | 455 | 525 | 565 | 620 | 740 | 847,5 |
| I1 | [mm] | 230 | 250 | 270 | 290 | 310 | 330 | 350 | 390 | 430 | 470 | 510 | 550 | 630 | 710 |
| 12 | [mm] | 160 | 180 | 200 | 225 | 250 | 250 | 300 | 330 | 400 | 450 | 550 | 600 | 700 | 800 |
| t | [mm] | 55 | 75 | 100 | 135 | 150 | 190 | 210 | 265 | 320 | 380 | 420 | 470 | 670 | 690 |
| Furatok száma | [db] | 8 | 12 | 12 | 16 | 16 | 20 | 20 | 20 | 24 | 24 | 28 | 28 | 32 | 36 |
| Súly kb. | [kg] | 40 | 65 | 83 | 118 | 145 | 190 | 220 | 315 | 420 | 640 | 910 | 1150 | 1520 | 2250 |
| Súly (csillapítással) | [kg] | 43,5 | 68,5 | 92.0 | 127.0 | 160.0 | 205.0 | 244.0 | 350.0 | 468.0 | 704.0 | 984.0 | 1235.0 | 1600.0 | 2335.0 |
| Térfogat kb. | [m³] | 0,030 | 0,045 | 0,060 | 0,080 | 0,110 | 0,130 | 0,170 | 0,250 | 0,360 | 0,500 | 0,640 | 0,850 | 1,360 | 3,920 |
| * kiszereléshez szükséges hely a szelep középpontjától mérve | |||||||||||||||
| PN 16 | |||||||||||||||
| DN | 200 | 250 | 300 | 350 | 400 | 450 | 500 | 600 | 700 | 800 | 900 | 1000 | |||
| D | [mm] | 340 | 400 | 455 | 520 | 575 | 640 | 715 | 840 | 910 | 1025 | 1125 | 1255 | ||
| b | [mm] | 20 | 22 | 24,5 | 26,5 | 28 | 31,5 | 31,5 | 36 | 39,5 | 43 | 46,5 | 50 | ||
| k | [mm] | 295 | 355 | 410 | 470 | 525 | 585 | 650 | 770 | 840 | 950 | 1050 | 1170 | ||
| d2 | [mm] | 23 | 28 | 28 | 28 | 31 | 31 | 34 | 37 | 37 | 40 | 40 | 43 | ||
| e1 | [mm] | 145 | 170 | 200 | 225 | 270 | 300 | 325 | 385 | 450 | 500 | 565 | 630 | ||
| *h1 | [mm] | 245 | 270 | 340 | 370 | 420 | 460 | 500 | 585 | 650 | 750 | 855 | 890 | ||
| h2 | [mm] | 175 | 205 | 232 | 265 | 295 | 325 | 362 | 425 | 460 | 520 | 570 | 635 | ||
| I1 | [mm] | 230 | 250 | 270 | 290 | 310 | 330 | 350 | 390 | 430 | 470 | 510 | 550 | ||
| 12 | [mm] | 160 | 180 | 200 | 225 | 250 | 250 | 300 | 330 | 400 | 450 | 550 | 600 | ||
| t | [mm] | 55 | 75 | 100 | 135 | 150 | 190 | 210 | 265 | 320 | 380 | 420 | 470 | ||
| Furatok száma | [db] | 12 | 12 | 12 | 16 | 16 | 20 | 20 | 20 | 24 | 24 | 28 | 28 | ||
| Súly kb. | [kg] | 40 | 65 | 83 | 118 | 145 | 210 | 250 | 365 | 470 | 750 | 980 | 1250 | ||
| Súly (csillapítással) | [kg] | 43,5 | 68,5 | 92.0 | 127.0 | 160.0 | 225.0 | 274.0 | 400.0 | 518.0 | 814.0 | 1054.0 | 1335.0 | ||
| Térfogat kb. | [m³] | 0,030 | 0,045 | 0,060 | 0,080 | 0,110 | 0,140 | 0,190 | 0,280 | 0,370 | 0,520 | 0,660 | 0,880 | ||
| * kiszereléshez szükséges hely a szelep középpontjától mérve | |||||||||||||||
| PN 25 (csillapítás nélkül) | |||||||||||||||
| DN | 200 | 250 | 300 | 350 | 400 | 600 | 900 | ||||||||
| D | [mm] | 360 | 425 | 485 | 555 | 620 | 845 | 1185 | |||||||
| b | [mm] | 22 | 24,5 | 27,5 | 30 | 32 | 42 | 56 | |||||||
| k | [mm] | 310 | 370 | 430 | 490 | 550 | 770 | 1090 | |||||||
| d2 | [mm] | 28 | 31 | 31 | 34 | 37 | 41 | 50 | |||||||
| e1 | [mm] | 145 | 170 | 200 | 225 | 270 | 385 | 565 | |||||||
| h2 | [mm] | 185 | 218 | 248 | 285 | 315 | 430 | 600 | |||||||
| I1 | [mm] | 230 | 250 | 270 | 290 | 310 | 390 | 510 | |||||||
| 12 | [mm] | 160 | 180 | 200 | 225 | 250 | 330 | 550 | |||||||
| t | [mm] | 55 | 75 | 100 | 135 | 150 | 265 | 420 | |||||||
| Furatok száma | [db] | 12 | 12 | 16 | 16 | 16 | 20 | 28 | |||||||
| Súly kb. | [kg] | 44,5 | 85 | 94 | 142 | 165 | 440 | 1020 | |||||||