FŐ TULAJDONSÁGOK
Felhasználási terület
Víz
Mérettartomány
DN 40–250
Nyomásosztály
PN 10/16
Termékjellemzők
Anyagok
Korrózióvédelem
Kívül-belül epoxibevonat
Maximális üzemi közeghőmérséklet
50 °C
| PN 10 | ||||||||||
| DN | 200 | 250 | ||||||||
| D | [mm] | 340 | 405 | |||||||
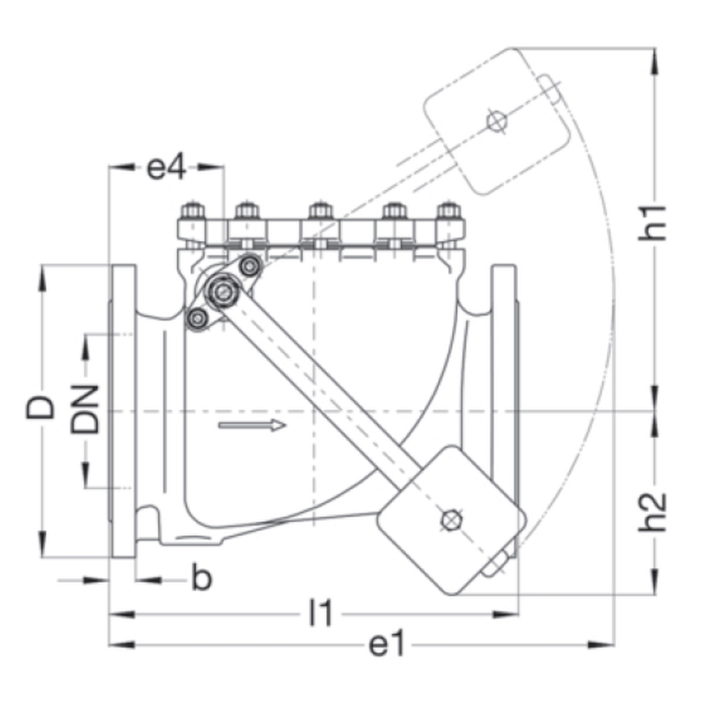
| b | [mm] | 30 | 32 | |||||||
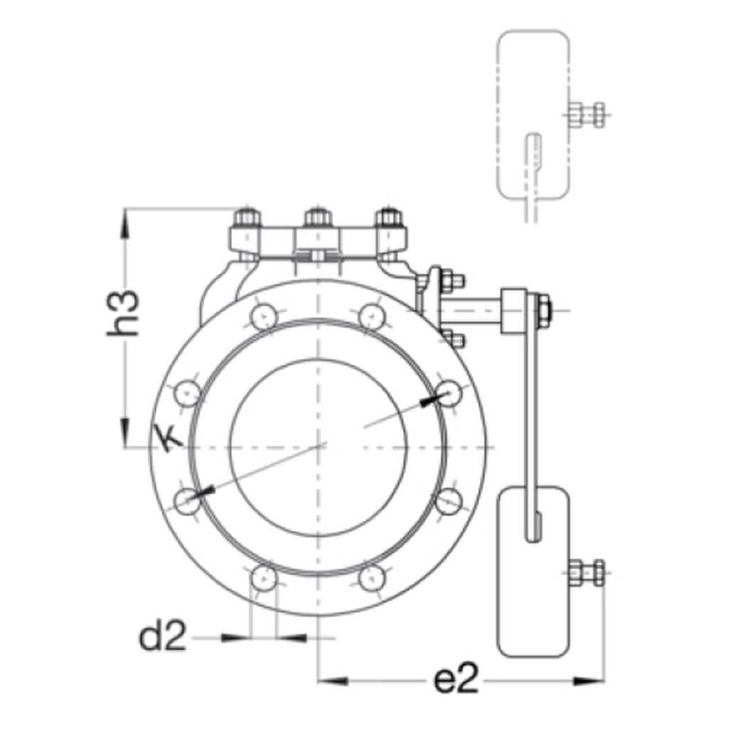
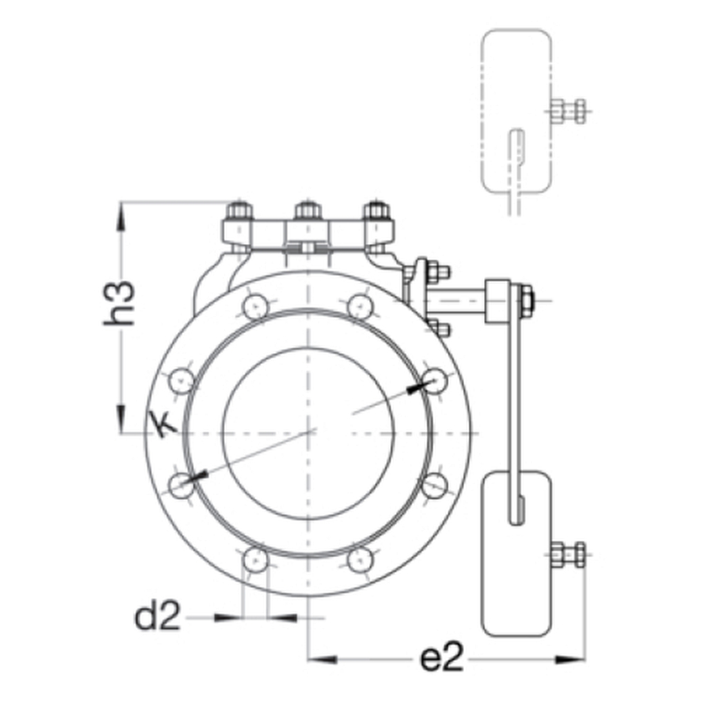
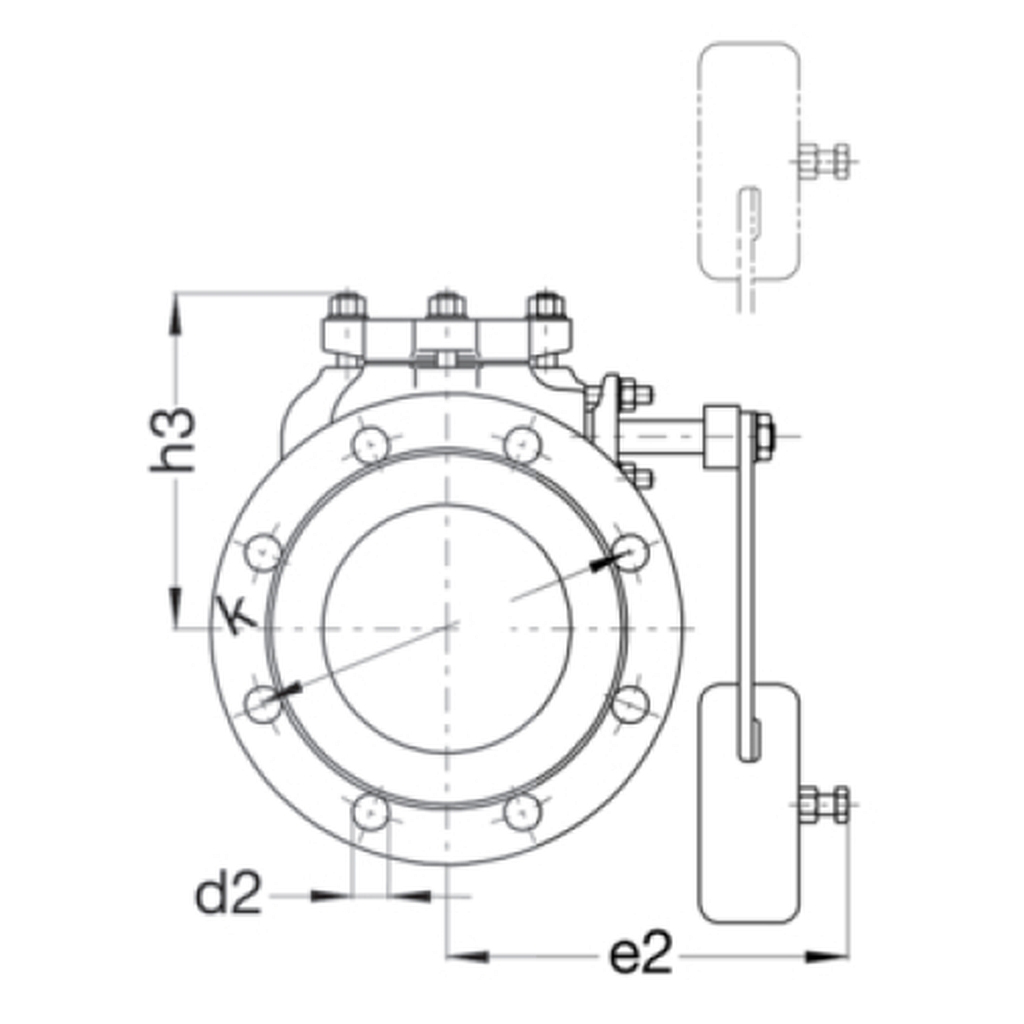
| k | [mm] | 295 | 350 | |||||||
| d2 | [mm] | 22 | 22 | |||||||
| e1 | [mm] | 660 | 830 | |||||||
| e2 | [mm] | 280 | 295 | |||||||
| e3 | [mm] | 240 | 270 | |||||||
| e4 | [mm] | 128 | 148 | |||||||
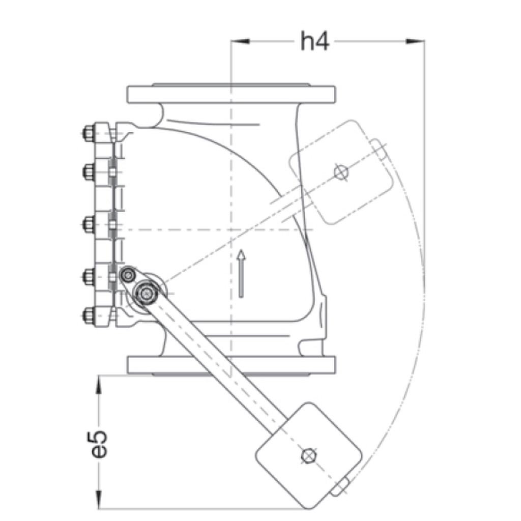
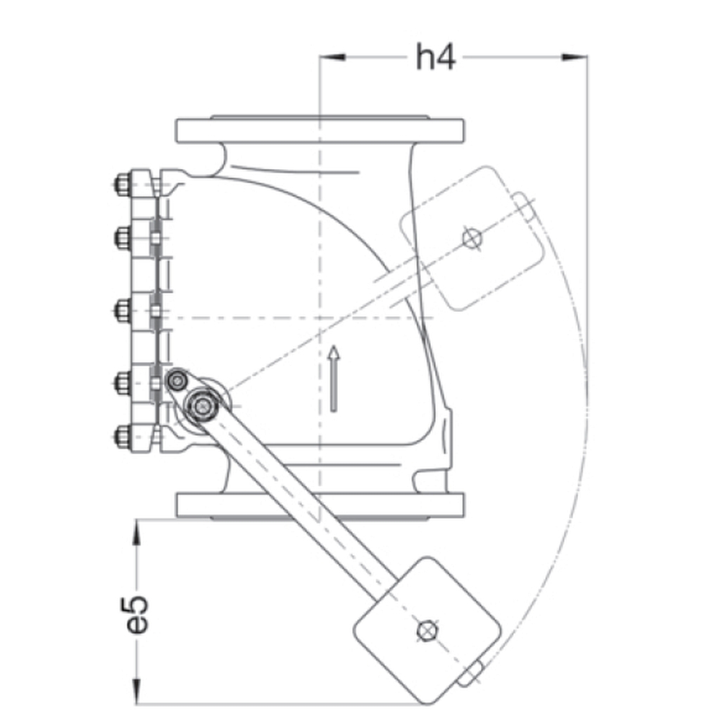
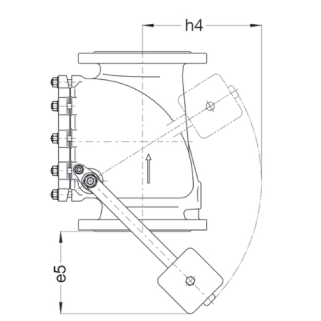
| e5 | [mm] | 280 | 365 | |||||||
| h1 | [mm] | 485 | 600 | |||||||
| h2 | [mm] | 260 | 335 | |||||||
| h3 | [mm] | 255 | 290 | |||||||
| h4 | [mm] | 380 | 500 | |||||||
| I1 | [mm] | 500 | 600 | |||||||
| Furatok száma | [db] | 8 | 12 | |||||||
| Súly kb. | [kg] | 96 | 136 | |||||||
| Térfogat kb. | [m³] | 0,025 | 0,043 | |||||||
| PN 16 | ||||||||||
| DN | 40 | 50 | 65 | 80 | 100 | 125 | 150 | 200 | 250 | |
| D | [mm] | 150 | 165 | 185 | 200 | 220 | 250 | 285 | 340 | 405 |
| b | [mm] | 18 | 20 | 20 | 22 | 24 | 26 | 26 | 30 | 32 |
| k | [mm] | 110 | 125 | 145 | 160 | 180 | 210 | 240 | 295 | 355 |
| d2 | [mm] | 18 | 18 | 18 | 18 | 18 | 18 | 22 | 22 | 26 |
| e1 | [mm] | 270 | 275 | 350 | 350 | 420 | 435 | 500 | 660 | 830 |
| e2 | [mm] | 155 | 155 | 175 | 180 | 190 | 200 | 245 | 280 | 295 |
| e3 | [mm] | 135 | 140 | 150 | 160 | 170 | 175 | 210 | 240 | 270 |
| e4 | [mm] | 60 | 65 | 78 | 78 | 82 | 97 | 112 | 128 | 148 |
| e5 | [mm] | 100 | 95 | 120 | 120 | 165 | 150 | 185 | 280 | 365 |
| h1 | [mm] | 130 | 135 | 200 | 220 | 275 | 290 | 355 | 485 | 600 |
| h2 | [mm] | 115 | 110 | 135 | 135 | 160 | 160 | 180 | 260 | 335 |
| h3 | [mm] | 110 | 120 | 130 | 135 | 160 | 180 | 205 | 255 | 290 |
| h4 | [mm] | 165 | 160 | 205 | 200 | 250 | 240 | 265 | 380 | 500 |
| I1 | [mm] | 180 | 200 | 240 | 260 | 300 | 350 | 400 | 500 | 600 |
| Furatok száma | [db] | 4 | 4 | 4 | 8 | 8 | 8 | 8 | 12 | 12 |
| Súly kb. | [kg] | 10 | 12 | 17 | 21 | 29 | 42 | 59 | 96 | 136 |
| Térfogat kb. | [m³] | 0,003 | 0,003 | 0,005 | 0,005 | 0,006 | 0,007 | 0,012 | 0,025 | 0,043 |